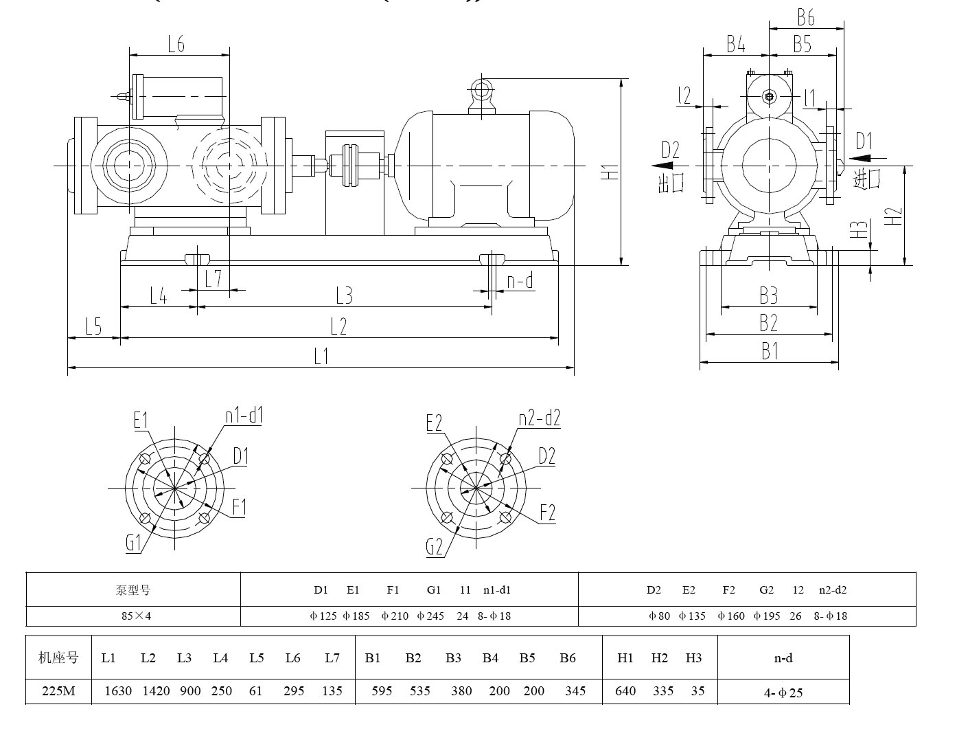
3GR85*4W21三螺杆泵配30kw-4電機尺寸圖_技術支持_河北遠東泵業|遠東泵業|泊頭遠東泵業|芜湖韦纳计算机设备集团官方網站
总(zǒng) 公 司急 速 版(ban)WAP 站H5 版无线端(duān)AI 智能3G 站4G 站5G 站(zhan)6G 站
·
·
·